1990 Volvo 740 Engine Diagram / Volvo 740 Engine Diagram - Complete Wiring Schemas - The transmission fluid on the b230f engine with automatic transmission (volvo 240, 740, 940), goes into the filler neck with the large yellow dipstick.. The volvo repair tutorials source. Shop 1990 volvo 740 maintenance kits by mileage. Most 200 series volvo share a similar design. The engine should be idling when checking transmission fluid level. Volvo truck workshop manual free download pdf.

Volvo 740 & 940 troubleshooting & system diagnosis without fault codes. 1990 fuse box in instrument panel the fuses (and relays) are located in the central electrical unit behind the ashtray in the center console. Nothing lasts forever, but with proper care, your volvo will function at peak performance for many miles. Volvo trucks mid fault codes. I am also looking for a 1990 volvo 780 bertone 4 cyl turbo v87 b230ft wiring diagram book.

1990 Volvo 740 Serpentine Belt Routing and Timing Belt ...
1990 Volvo 740 Serpentine Belt Routing and Timing Belt ... from www.2carpros.com
Volvo truck fault codes pdf; 820 x 1192 jpeg 78 кб. Wiring diagrams �1990 volvo 740 1990 wiring diagrams volvo 740 identification component location table component locations table ���������������������� complete wiring diagrams for a 1990 volvo 740. On this page you can free download workshop repair manuals pdf for volvo trucks, and also fault codes pdf and wiring diagrams. The car of choice is a 1990 volvo 740 gle. 1990 fuse box in instrument panel the fuses (and relays) are located in the central electrical unit behind the ashtray in the center console. Volvo truck workshop manual free download pdf. Volvo 740 & 940 troubleshooting & system diagnosis without fault codes.

Free pdf download for thousands of cars and trucks.

The volvo repair tutorials source. The transmission fluid on the b230f engine with automatic transmission (volvo 240, 740, 940), goes into the filler neck with the large yellow dipstick. Alternator wiring diagram volvo pentum | wiring diagram. Most 200 series volvo share a similar design. 1990 fuse box in instrument panel the fuses (and relays) are located in the central electrical unit behind the ashtray in the center console. It is located about 5 inches below the oil dipstick. Rats had a field day and enjoyed the wiring so now i'm trying to put it back together. The engine, suspension, brakes, wheels, transmission, differential, wiring, steering, and partial why a volvo? Volvo penta 740/dp 740/ms5 engine service workshop manual. Find great deals on ebay for 1990 volvo 740 manual. Shop 1990 volvo 740 maintenance kits by mileage. 820 x 1192 jpeg 78 кб. Volvo truck wiring diagrams pdf;

Nothing lasts forever, but with proper care, your volvo will function at peak performance for many miles. The engine should be idling when checking transmission fluid level. The transmission fluid on the b230f engine with automatic transmission (volvo 240, 740, 940), goes into the filler neck with the large yellow dipstick. Most 200 series volvo share a similar design. On this page you can free download workshop repair manuals pdf for volvo trucks, and also fault codes pdf and wiring diagrams.

1990 Volvo 740 Fuse Diagram - Wiring Diagram Schema
1990 Volvo 740 Fuse Diagram - Wiring Diagram Schema from lh3.googleusercontent.com
Sensor ect (#1346030), sensor for the ecu, not the sensor for the temp gage, i recommend boschlook under the intake close cylinder #3. Volvo penta 740/dp 740/ms5 engine service workshop manual. 1453 x 2133 jpeg 420 кб. This book will provide the necessary assistance in the. Detailed volvo 740 engine and associated service systems (for repairs and overhaul) (pdf) volvo 740 wiring diagrams.there are much better ways of servicing and understanding your volvo 740 engine than the. On this page you can free download workshop repair manuals pdf for volvo trucks, and also fault codes pdf and wiring diagrams. The transmission fluid on the b230f engine with automatic transmission (volvo 240, 740, 940), goes into the filler neck with the large yellow dipstick. Volvo truck fault codes pdf;

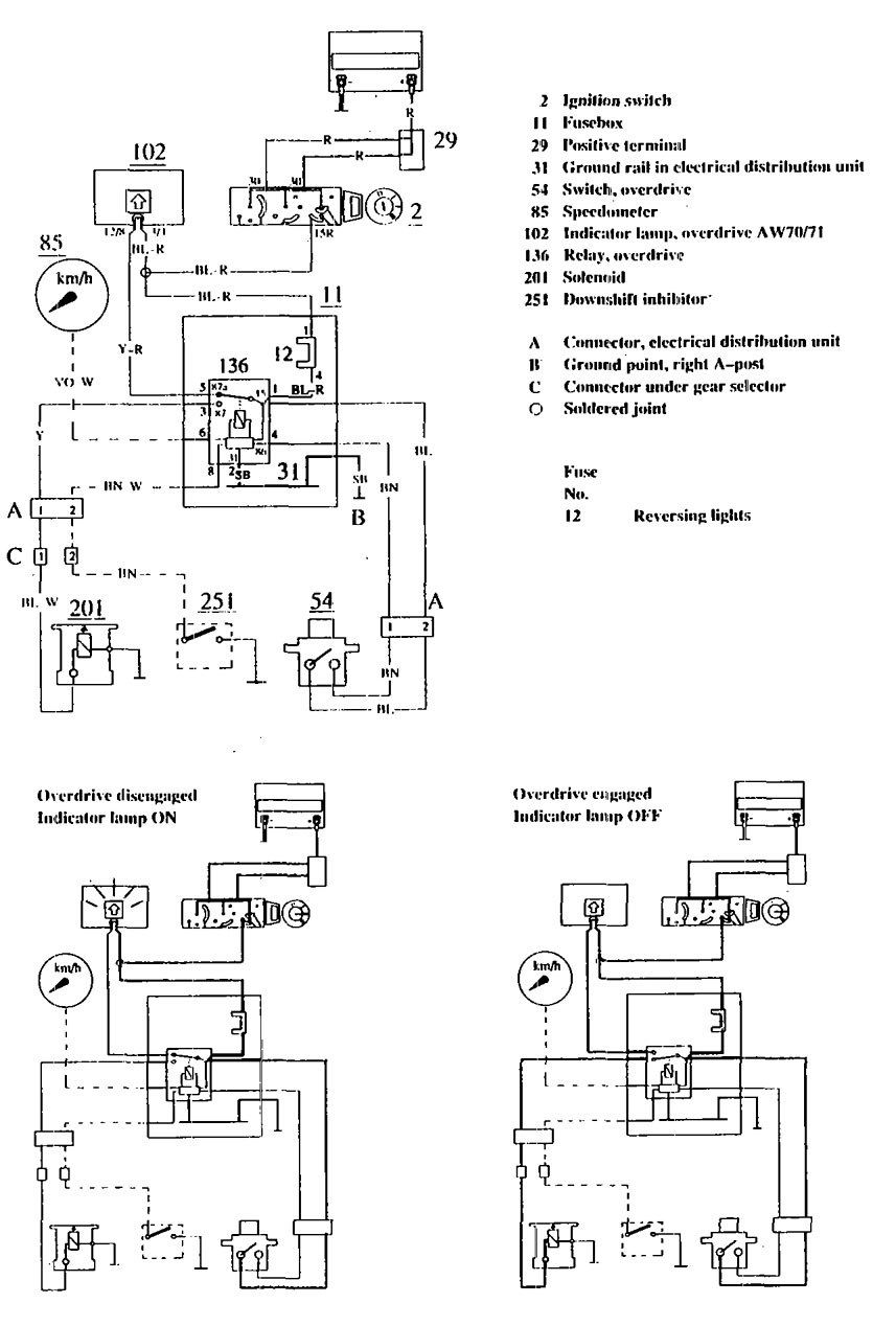
Wiring diagrams �1990 volvo 740 1990 wiring diagrams volvo 740 identification component location table component locations table ���������������������� complete wiring diagrams for a 1990 volvo 740.

It is located about 5 inches below the oil dipstick. The b21 and all derived engines are often referred to as red block engines for the red paint applied to the block. The car of choice is a 1990 volvo 740 gle. On this page you can free download workshop repair manuals pdf for volvo trucks, and also fault codes pdf and wiring diagrams. Volvo truck fault codes pdf; Wiring diagrams �1990 volvo 740 1990 wiring diagrams volvo 740 identification component location table component locations table ���������������������� complete wiring diagrams for a 1990 volvo 740. 1453 x 2133 jpeg 420 кб. The transmission fluid on the b230f engine with automatic transmission (volvo 240, 740, 940), goes into the filler neck with the large yellow dipstick. The engine, suspension, brakes, wheels, transmission, differential, wiring, steering, and partial why a volvo? Slowly move the selector lever through all gear positions and then to position p. Check the oil level as follows: Most 200 series volvo share a similar design. Rats had a field day and enjoyed the wiring so now i'm trying to put it back together.

The engine should be idling when checking transmission fluid level. The b21 and all derived engines are often referred to as red block engines for the red paint applied to the block. Terminal and harness assignments for individual connectors will vary depending on vehicle equipment level, model, and market. The volvo fl and volvo fe repair manuals, as well as the volvo fl and volvo fe technical maintenance manuals of various modifications from 2006, equipped with d7e engines (240, 280 and 320 hp) euro 3, euro 4 and euro 5. Detailed volvo 740 engine and associated service systems (for repairs and overhaul) (pdf) volvo 740 wiring diagrams.there are much better ways of servicing and understanding your volvo 740 engine than the.

1990 VOLVO 740 OVERSIZED WIRING DIAGRAMS SCHEMATICS SET | eBay
1990 VOLVO 740 OVERSIZED WIRING DIAGRAMS SCHEMATICS SET | eBay from i.ebayimg.com
The volvo repair tutorials source. The car of choice is a 1990 volvo 740 gle. Terminal and harness assignments for individual connectors will vary depending on vehicle equipment level, model, and market. I am also looking for a 1990 volvo 780 bertone 4 cyl turbo v87 b230ft wiring diagram book. It is located about 5 inches below the oil dipstick. On this page you can free download workshop repair manuals pdf for volvo trucks, and also fault codes pdf and wiring diagrams. Shop 1990 volvo 740 maintenance kits by mileage. This book will provide the necessary assistance in the.

For some markets there was also a.

1990 fuse box in instrument panel the fuses (and relays) are located in the central electrical unit behind the ashtray in the center console. I am also looking for a 1990 volvo 780 bertone 4 cyl turbo v87 b230ft wiring diagram book. Alternator wiring diagram volvo pentum | wiring diagram. Volvo workshop & service manuals, fault codes and wiring diagrams pdf. Slowly move the selector lever through all gear positions and then to position p. Volvo в13f engines fuel system, design and function service manual.pdf. Volvo truck workshop manual free download pdf. Volvo 740 & 940 troubleshooting & system diagnosis without fault codes. Sensor ect (#1346030), sensor for the ecu, not the sensor for the temp gage, i recommend boschlook under the intake close cylinder #3. This computer controls fuel delivery to the engine. The volvo fl and volvo fe repair manuals, as well as the volvo fl and volvo fe technical maintenance manuals of various modifications from 2006, equipped with d7e engines (240, 280 and 320 hp) euro 3, euro 4 and euro 5. Terminal and harness assignments for individual connectors will vary depending on vehicle equipment level, model, and market. Nothing lasts forever, but with proper care, your volvo will function at peak performance for many miles.

By