2003 Nissan Frontier Wiring Diagram - 2003 Nissan Frontier Stereo Wiring Wiring Diagram Schema Tell Track Tell Track Atmosphereconcept It : Database contains 1 nissan 2003 frontier manuals (available for free online viewing or downloading in pdf):. Savesave nissan frontier 2002 wiring diagram for later. Every nissan stereo wiring diagram contains information from other nissan owners. Free pdf download for thousands of cars and trucks. Find more compatible user manuals for 2003 frontier automobile device. 1) for free in pdf.

Download nissan 2003 frontier manuals (total manuals: Find more compatible user manuals for 2003 frontier automobile device. 1) for free in pdf. Download and view your free pdf file of the 2003 nissan frontier owner manual on our comprehensive online database of automotive owners manuals. I requested a radio wiring diagram for a 2003 nissan sentra se r and it was not correct that was given.

02 Nissan Frontier Wiring Diagram Audio Wiring Diagrams Kid Metal Kid Metal Alcuoredeldiabete It
02 Nissan Frontier Wiring Diagram Audio Wiring Diagrams Kid Metal Kid Metal Alcuoredeldiabete It from i.pinimg.com
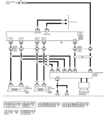
10 illustrations found for the vehicle you selected.select your vehicle options to narrow down results. Free pdf download for thousands of cars and trucks. This can make it easier to upgrade although certain single din stereos can be difficult, especially if you are using a motorized face. © 2003 nissan north america, inc. These wires make up the antenna for the audio system. 100%(16)100% found this document useful (16 votes). 2003 nissan frontier air conditioning diagram wiring. This information is provided as a service to our valued customers at no charge.

Vehicle wiring search for a nissan frontier.

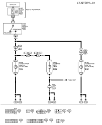
In the list of manuals below, you can find additional information, that may apply to your nissan 2003 frontier device. The nissan navara, also known as the nissan frontier in north america and the nissan np300 in mexico and europe, is a pickup truck that was introduced by. Nissan ud truck service manuals and nissan forklift pdf manuals are contains : The changes to the next generation of frontier truck include moving the radio higher on your dashboard. .the2003 nissan frontier, this service manual has detailed illustrations as well as step by step instructions,it is 100 percents complete and intact. Download and view your free pdf file of the 2003 nissan frontier owner manual on our comprehensive online database of automotive owners manuals. I'd like the wiring diagrams for right front power window (heated and not) please. Nissan frontier workshop, repair and owners manuals for all years and models. Nissan frontier/crew cab owners manual. 100%(16)100% found this document useful (16 votes). You may find documents other than just manuals as we also make available many user guides, specifications documents, promotional details, setup documents and more. This information is provided as a service to our valued customers at no charge. Improper maintenance, including incorrect removal and.

100%(16)100% found this document useful (16 votes). This can make it easier to upgrade although certain single din stereos can be difficult, especially if you are using a motorized face. Wiring diagram for 2002 nissan frontier with rockford fosgate please. 2003 nissan frontier air conditioning diagram wiring. Carbureted pcm wiring diagram.gif nissan.

Diagram 2000 Nissan Xterra Stereo Wiring Diagram Full Version Hd Quality Wiring Diagram Diagramhankei Heartzclub It
Diagram 2000 Nissan Xterra Stereo Wiring Diagram Full Version Hd Quality Wiring Diagram Diagramhankei Heartzclub It from ww2.justanswer.com
It is important to select your exact vehicle year as wiring inside the vehicle could change even though the vehicle appearance is the same. 2003 nissan frontier model d22 series service repair manual. In the list of manuals below, you can find additional information, that may apply to your nissan 2003 frontier device. 2003 nissan frontier air conditioning diagram wiring. 100%(16)100% found this document useful (16 votes). Nissan almera, altima, juke, maxima, tiida wiring diagrams. Trust 2003 nissan frontier service repair manual will give you everything you need to do the job. These wires make up the antenna for the audio system.

300zx nissan 350z nissan altima nissan armada nissan cube nissan frontier nissan maxima nissan murano nissan pathfinder nissan pickup nissan quest nissan rogue nissan sentra nissan titan nissan versa nissan xterra.

In the list of manuals below, you can find additional information, that may apply to your nissan 2003 frontier device. Every nissan stereo wiring diagram contains information from other nissan owners. Nissan almera, altima, juke, maxima, tiida wiring diagrams. Wiring diagram for 2002 nissan frontier with rockford fosgate please. You can examine nissan 2003 frontier manuals and user guides in pdf. These wires make up the antenna for the audio system. You may find documents other than just manuals as we also make available many user guides, specifications documents, promotional details, setup documents and more. Please select the exact year of your nissan frontier to view your vehicle sepecific diagram. Vehicle wiring search for a nissan frontier. It includes the following circuits: Download nissan 2003 frontier manuals (total manuals: Download and view your free pdf file of the 2003 nissan frontier owner manual on our comprehensive online database of automotive owners manuals. Nissan ud truck service manuals and nissan forklift pdf manuals are contains :

Improper maintenance, including incorrect removal and. Free pdf download for thousands of cars and trucks. Ignition coil, power transistor (ignition control module), and camshaft position sensor. © 2003 nissan north america, inc. Download nissan 2003 frontier manuals (total manuals:

2004 Nissan Frontier Wiring Diagram Wiring Diagrams Cute Metal Cute Metal Alcuoredeldiabete It
2004 Nissan Frontier Wiring Diagram Wiring Diagrams Cute Metal Cute Metal Alcuoredeldiabete It from ww2.justanswer.com
Nissan frontier owners manual covering weekly checks. 300zx nissan 350z nissan altima nissan armada nissan cube nissan frontier nissan maxima nissan murano nissan pathfinder nissan pickup nissan quest nissan rogue nissan sentra nissan titan nissan versa nissan xterra. Wiring diagram for 2002 nissan frontier with rockford fosgate please. The nissan navara, also known as the nissan frontier in north america and the nissan np300 in mexico and europe, is a pickup truck that was introduced by. Portable network image format 34.7 kb. Here you will find fuse box diagrams of nissan navara 1997, 1998, 1999, 2000, 2001, 2002, 2003 and 2004, get information about the location of the fuse panels inside the car, and learn about. Trust 2003 nissan frontier service repair manual will give you everything you need to do the job. 10 illustrations found for the vehicle you selected.select your vehicle options to narrow down results.

Download nissan 2003 frontier manuals (total manuals:

Carbureted pcm wiring diagram.gif nissan. Nissan frontier workshop, repair and owners manuals for all years and models. 100%(16)100% found this document useful (16 votes). 2007 nissan frontier abs wiring diagram wiring diagram. Nissan almera, altima, juke, maxima, tiida wiring diagrams. Portable network image format 34.7 kb. Please select the exact year of your nissan frontier to view your vehicle sepecific diagram. You can examine nissan 2003 frontier manuals and user guides in pdf. Nissan almera repair manuals & wiring diagrams. It includes the following circuits: I requested a radio wiring diagram for a 2003 nissan sentra se r and it was not correct that was given. 2003 nissan frontier model d22 series service repair manual. This information is provided as a service to our valued customers at no charge.

By